250x250
Notice
Recent Posts
Recent Comments
Link
| 일 | 월 | 화 | 수 | 목 | 금 | 토 |
|---|---|---|---|---|---|---|
| 1 | ||||||
| 2 | 3 | 4 | 5 | 6 | 7 | 8 |
| 9 | 10 | 11 | 12 | 13 | 14 | 15 |
| 16 | 17 | 18 | 19 | 20 | 21 | 22 |
| 23 | 24 | 25 | 26 | 27 | 28 | 29 |
| 30 |
Tags
- dvwa
- 코드업
- db
- 암호학
- StoredXSS
- XSS
- ReflectedXSS
- 인공지능
- Cross Site Scripting
- 보안
- 파일구조
- injection
- codeup
- SQL_Injection
- 디피헬먼
- dsa
- 딥러닝
- 알고리즘
- 머신러닝
- C언어
- 공개키
- RVA
- ImageBase
- 프로그래머스
- 웹
- RSA
- 기계학습
- Database
- 심층학습
- SQL
Archives
- Today
- Total
Ye0ngJae
[하드웨어] RAM이란? 본문
728x90
RAM(Random Access Memory)

RAM은 주 기억 장치 중 하나로써 중앙처리장치(CPU)와 보조기억장치(SSD, HDD 등) 사이의 속도차이를 해결하기 위하여 사용됩니다. 또한 RAM은 전원이 공급될 때만 정보를 기억하고 전원의 공급이 끊어지면 저장한 정보가 날아가는 특징이 있습니다.
DRAM


DRAM은 임의 접근 기억 장치 중 하나로 정보를 구성하는 개개의 비트를 캐패시터에 저장하여 각 캐패시터가 담고 있는 전자 수의 따라 0과 1을 구분합니다. 캐패시터에 저장함에 따라 캐패시터가 누전이 되어 데이터가 사라질 수 있으므로, 주기적으로 재충전 하는 과정이 필요합니다.
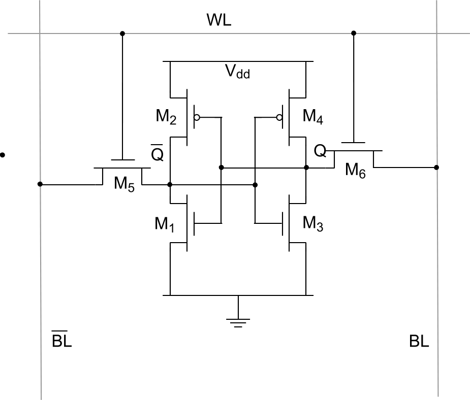
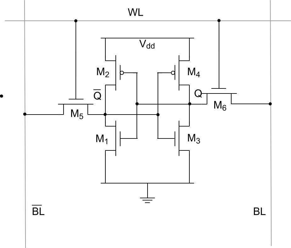
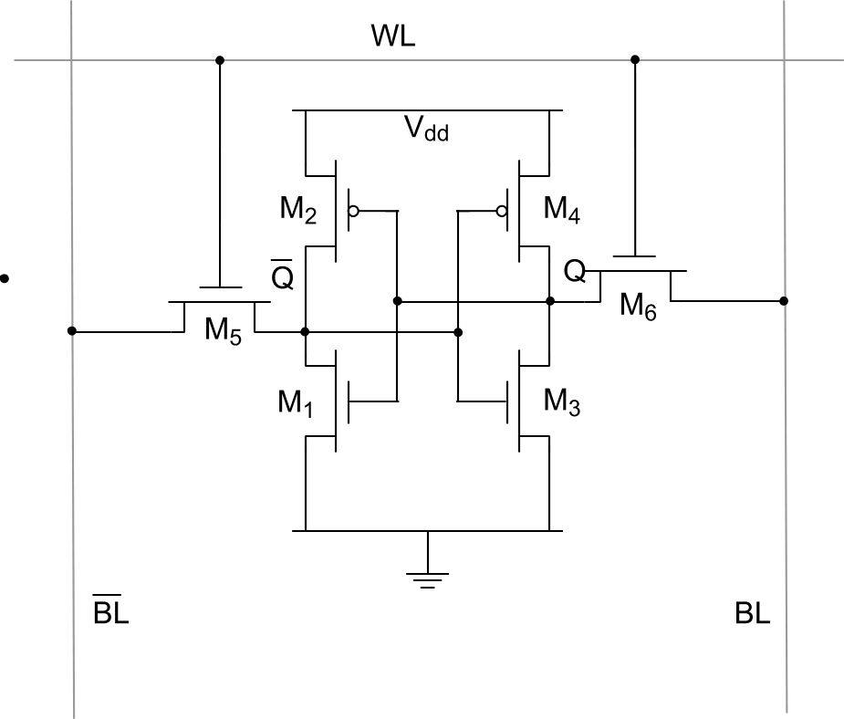
SRAM

SRAM은 DRAM과 달리 주기적으로 재충전 해주는 과정이 필요 없고 전원이 공급되는 한 안에 들어있는 내용이 보존된다. DRAM에서 개개의 비트들이 캐패시터에 저장되었다면 SRAM에서는 인버터에 저장되게 됩됩니다.

두 개의 인버터가 0과1의 안정된 상태를 유지하고, 인버터에 달린 트랜지스터가 인버터의 저장된 비트에 접근하여 읽고, 쓰기를 할 수 있게 해줍니다.
728x90
'컴퓨터 시스템' 카테고리의 다른 글
| [하드웨어] Instruction Set Architecture (0) | 2022.06.13 |
|---|---|
| [하드웨어] CPU 구조와 동작과정 (0) | 2022.06.09 |
| [하드웨어] SSD에 대하여 알아보자 (0) | 2022.06.06 |
| [하드웨어] HDD에 대하여 알아보자 (0) | 2022.06.06 |
| [하드웨어] ROM이란? (0) | 2022.06.06 |